Lựa chọn kích thước tay nắm cửa lùa giúp bộ cửa vận hành trơn tru, tăng tuổi thọ và tăng tính thẩm mỹ cho bộ cửa lùa. Cùng Draho tìm hiểu những dòng tay nắm cửa lùa phổ biến hiện nay.
Tay nắm cửa lùa là gì?
Tay nắm cửa lùa là bộ phận giúp người dùng thao tác đóng mở cửa trượt (cửa lùa) dễ dàng và thuận tiện hơn. Không chỉ đóng vai trò là chi tiết hỗ trợ vận hành, tay nắm còn mang giá trị thẩm mỹ, giúp tổng thể bộ cửa trở nên tinh tế, hiện đại và đồng bộ.
Tùy theo cấu tạo của cửa (cửa sổ lùa, cửa đi lùa, cửa lùa 1 ray, 2 ray hay cửa lùa nhôm kính), tay nắm sẽ có thiết kế, kích thước, vật liệu và vị trí lắp đặt khác nhau để đảm bảo độ bền và khả năng chịu lực của một bộ khóa Draho.

Phân loại tay nắm cửa lùa
Hiện nay, tay nắm cửa lùa được chia thành nhiều loại tùy theo công năng sử dụng và đặc điểm thiết kế của từng hệ cửa. Dưới đây là ba loại phổ biến nhất trên thị trường.
Tay nắm cửa sổ lùa
Tay nắm cửa sổ lùa được thiết kế nhỏ gọn, thường làm từ hợp kim nhôm hoặc inox, có dạng tay kéo hoặc tay âm.
 Đặc điểm chính:
- Kích thước phổ biến từ 90mm – 120mm, phù hợp cho cánh cửa sổ lùa khung mảnh.
 - Bề mặt xử lý anode hoặc sơn tĩnh điện giúp chống trầy xước, ăn mòn.
 - Thiết kế tiện dụng, thao tác nhẹ nhàng, dễ lắp đặt trên cánh nhôm mỏng.
 
Tay nắm loại này thường được ứng dụng trong các hệ nhôm 55, Xingfa hệ 93, hệ 700, đảm bảo độ kín khít khi đóng cửa và vận hành êm ái.

Tay nắm cửa đi lùa
Đây là loại kích thước tay nắm cửa lùa có kích thước lớn hơn, dùng cho cửa đi lùa hai cánh hoặc bốn cánh.
 Đặc điểm nổi bật:
- Chiều dài phổ biến từ 200mm – 600mm, tùy thuộc kích thước cánh và chiều cao cửa.
 - Vật liệu chủ yếu bằng hợp kim nhôm hoặc inox 304, có thể mạ hoặc sơn tĩnh điện để tăng tính thẩm mỹ.
 - Một số mẫu được thiết kế dạng tay âm bên trong – tay nổi bên ngoài, giúp tiết kiệm không gian mà vẫn đảm bảo chắc chắn khi sử dụng.
 
Tay nắm cửa đi lùa thường xuất hiện trong cửa nhôm hệ 93, hệ 1000 hoặc hệ Xingfa, được ưa chuộng trong các không gian hiện đại như nhà phố, biệt thự, chung cư.

Tay nắm âm cửa lùa nhôm
Tay nắm âm là loại được lắp chìm vào thân cánh cửa, chỉ để lộ phần rãnh nhỏ cho thao tác kéo mở.
 Đặc điểm:
- Kích thước tiêu chuẩn từ 120mm – 160mm, chiều sâu khoảng 10-12mm.
 - Phù hợp với những thiết kế yêu cầu tối giản, gọn gàng và sang trọng.
 - Không vướng khi đóng mở hai cánh cửa trượt sát nhau, đảm bảo độ kín khít cao.
 
Đây là lựa chọn được nhiều kiến trúc sư ưu tiên cho cửa lùa phòng ngủ, phòng khách hoặc cửa thông phòng, nơi cần sự tinh tế và an toàn.
Kích thước tay nắm cửa lùa
Tay nắm cửa lùa Draho F64A
Dài × Rộng × Cao ≈ 160.5 × 24.2 × 62.5 mm
Phần tay nắm có góc gập cong nhẹ, thiết kế dạng vuốt cong hiện đại, thường thấy trên các tay nắm cửa sổ nhôm hệ lùa hoặc hệ mở quay.

Tay nắm cửa lùa Draho LF34A
Dài × Rộng × Cao ≈ 154.9 × 24.2 × 56.2 mm
Thiết kế kích thước tay nắm cửa lùa gọn, bo cong mềm hơn mẫu trước, có thể là phiên bản tay nắm cửa sổ đơn điểm hệ 55 hoặc 60.

Tay nắm cửa lùa Draho LTLXTS
Dài × Rộng × Cao ≈ 174.9 × 24 × 85.7 mm
Thiết kế kích thước tay nắm cửa lùa dạng khóa liền tay, có ổ khóa tích hợp ở thân, phù hợp với cửa sổ hoặc cửa lùa cần cố định an toàn.
Kết cấu vững chắc, tay nắm cong đối xứng, đảm bảo độ bám tay và lực kéo tốt.

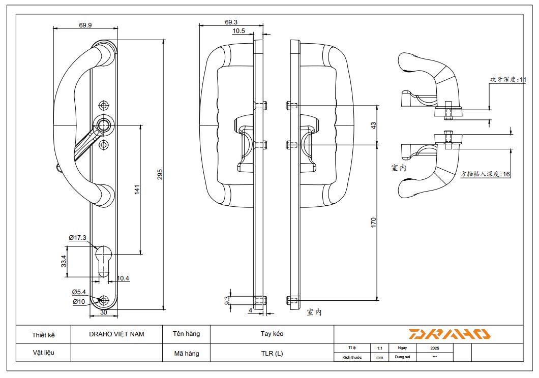
Tay nắm cửa lùa Draho TLR
Cao × Rộng × Dày ≈ 295 × 69 × 43 mm
Thiết kế kích thước tay nắm cửa lùa 2 mặt trong – ngoài đối xứng, dạng tay kéo cong, phù hợp cho cửa đi mở quay hoặc cửa lùa hệ nhôm kính cao cấp.
Thiết kế tay bo mềm, bề mặt dày, giúp tăng độ bám và lực kéo – đẩy ổn định.

Tay nắm âm TL1-TL2
Dài × Rộng × Dày ≈ 198.8 × 22 × 8 mm
Thiết kế dạng thanh thân dẹt, thích hợp cho cửa sổ nhôm hệ 55, hệ 60, hoặc cửa lùa nhỏ.
Có cụm chốt gạt dạng móc – khi đóng khóa, chốt xoay móc vào ngàm giúp giữ cánh chắc chắn, chống rung lắc.

Tay cài TU2064
Thân khóa được đúc liền khối bằng hợp kim nhôm, đảm bảo độ bền và khả năng chịu lực cao.
Tay gạt thiết kế thẳng, góc cạnh rõ ràng, thao tác đóng/mở nhẹ nhàng.

Lưu ý khi lựa chọn tay nắm cửa lùa
Việc chọn đúng kích thước tay nắm cửa lùa không chỉ giúp đảm bảo tính thẩm mỹ mà còn ảnh hưởng trực tiếp đến độ bền, độ kín khít và hiệu suất vận hành của toàn bộ hệ cửa. Dưới đây là những lưu ý quan trọng từ chuyên gia Draho:
Xác định rõ loại cửa và hệ nhôm sử dụng
Trước khi chọn tay nắm, cần biết chính xác cửa thuộc loại nào (cửa sổ hay cửa đi), số ray trượt, độ dày khung nhôm và kích thước cánh. Mỗi hệ nhôm như Xingfa, hệ 55, hệ 93 hay hệ 1000 có quy chuẩn khác nhau về vị trí bắt vít và độ dày thân cửa. Nếu chọn kích thước tay nắm cửa lùa có kích thước không tương thích, việc lắp đặt sẽ khó khăn và dễ gây hỏng hóc trong quá trình sử dụng.
Ưu tiên lựa chọn tay nắm có kích thước tiêu chuẩn
Các mẫu tay nắm có kích thước theo chuẩn từ nhà sản xuất như Draho giúp đảm bảo độ đồng bộ và độ bền cơ học cao. Tay nắm quá nhỏ khiến người dùng thao tác khó, trong khi tay nắm quá lớn có thể ảnh hưởng đến thẩm mỹ và không gian đóng mở của cửa.
Kiểm tra chiều sâu lắp đặt và độ dày khung nhôm
Chiều sâu tay nắm phải phù hợp với độ dày thân cánh để đảm bảo khi lắp không bị vênh, kênh hoặc lỏng lẻo. Đối với tay nắm âm, nên kiểm tra kỹ thông số độ khoét rãnh để đảm bảo phần tay nắm nằm khít, không tạo khe hở ảnh hưởng đến khả năng cách âm và cách nhiệt.

Lựa chọn vật liệu chất lượng cao
Tay nắm cửa lùa thường xuyên chịu lực kéo và ma sát, do đó vật liệu nên chọn nhôm đúc nguyên khối hoặc inox 304 để đảm bảo tuổi thọ và tránh bị oxi hóa trong điều kiện ẩm. Đối với công trình ven biển hoặc nơi có độ ẩm cao, nên ưu tiên tay nắm sơn tĩnh điện cao cấp hoặc anod hóa để tăng khả năng chống ăn mòn.
Ưu tiên sản phẩm có bảo hành chính hãng
Một tay nắm cửa lùa đạt tiêu chuẩn kỹ thuật phải đi kèm giấy chứng nhận xuất xứ (CO) và chứng nhận chất lượng (CQ). Draho hiện đang áp dụng chính sách bảo hành lên tới 5 năm cho toàn bộ phụ kiện, giúp khách hàng an tâm về chất lượng và dịch vụ hậu mãi.
Đồng bộ hóa toàn bộ hệ phụ kiện
Để đảm bảo tính ổn định và vận hành êm ái, nên chọn tay nắm cùng thương hiệu với bản lề, ray trượt, bánh xe cửa lùa. Việc đồng bộ phụ kiện giúp cửa hoạt động trơn tru, giảm rung lắc và tăng tuổi thọ tổng thể. Với các tiêu chí trên, phụ kiện cửa nhôm Draho như tay nắm cửa nhôm, các loại bản lề cửa nhôm kính đáp ứng được yêu cầu về chất lượng và thẩm mỹ.
Kết luận
Việc lựa chọn đúng kích thước tay nắm cửa lùa không chỉ giúp đảm bảo độ bền và tính năng sử dụng mà còn nâng cao giá trị thẩm mỹ cho toàn bộ công trình. Với các sản phẩm tay nắm cửa lùa Draho – được sản xuất theo tiêu chuẩn kỹ thuật quốc tế, đồng bộ với hầu hết hệ nhôm trên thị trường – người dùng có thể hoàn toàn yên tâm về độ chính xác, độ bền và tính đồng bộ.
Nếu bạn đang tìm kiếm giải pháp tay nắm cửa lùa chính xác về kích thước, bền bỉ và tinh tế về thiết kế, Draho chính là lựa chọn đáng tin cậy cho mọi công trình nhôm kính hiện đại.







